Toggle navigation
Каталог Land Rover
Запчасти
Масла
Диагностика
Сервис
063 781 33 77
Поиск
Land Rover Discovery 1 (L25)
каталог запчастей и аксессуаров
Land Rover
Jaguar
Ford
MG Rover
1989-1998 Discovery 1 (L25)
РАЗДАТОЧНАЯ КОРОБКА
LT230
Discovery 1 (L25)
X
TR0A3
TRBI4
ДИФФЕРЕНЦИАЛ Discovery 1 (L25)
БЛОКИРАТОР ДИФФЕРЕНЦИАЛА Discovery 1 (L25)
FRONT FLANGE Discovery 1 (L25)
FRONT HOUSING Discovery 1 (L25)
FRONT OUPUT SHAFT Discovery 1 (L25)
GASKET KIT Discovery 1 (L25)
GEAR CHANGE Discovery 1 (L25)
TR0A3
GEAR CHANGE Discovery 1 (L25)
TRBI4
HIGH/LOW GEAR Discovery 1 (L25)
HOUSING AUTOMATIC Discovery 1 (L25)
TR0A3
INTERMEDIATE SHAFT Discovery 1 (L25)
MAINSHAFT GEAR Discovery 1 (L25)
REAR FLANGE Discovery 1 (L25)
SPEEDO HOUSING Discovery 1 (L25)
TRANSFER В СБОРЕ Discovery 1 (L25)
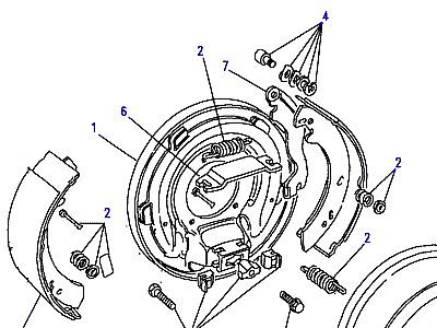
TRANSMISSION BRAKE-DIRECT ENTRY CABLE Discovery 1 (L25)
TRANSMISSION BRAKE-ROD OPERATED Discovery 1 (L25)