| PNC | Название | с | по | Q | RRP | Номер |
|---|---|---|---|---|---|---|
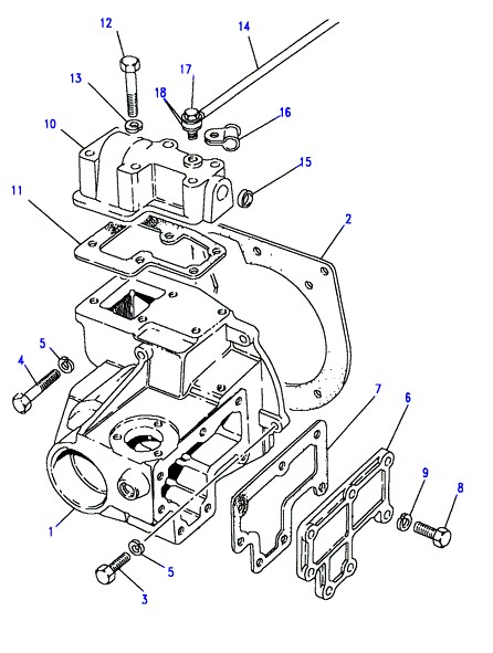
| HOUSING-OUTPUT SHAFT FRONT | 1 | FRC8299 ↳FTC4178 | ||||
| HOUSING-OUTPUT SHAFT FRONT | 1 | FTC4178 ↳ICB100070 | ||||
| ПРОКЛАДКА | 1 | FRC6103 | ||||
| ВИНТ M8*25 ФЛАНЦЕВАЯ ГОЛОВКА | 7 | FS108251L ↳FS108257L | ||||
| БОЛТ ШЕСТИГРАННАЯ ГОЛОВКА M8*90 | 1 | BH108181L ↳FB108181 | ||||
| БОЛТ ФЛАНЦЕВАЯ ГОЛОВКА M8*90 | 1 | FB108181ML | ||||
| ШАЙБА 8MM | 8 | WA108051L ↳WA108056 | ||||
| COVER-TRANSFER BOX FRONT HOUSING | 1 | FRC6104 | ||||
| ПРОКЛАДКА - TRANSFER BOX SIDE COVER | 1 | FRC6105 | ||||
| ВИНТ M8*25 ШЕСТИГРАННАЯ ГОЛОВКА (-) TDI; МКПП - МЕХАНИЧЕСКАЯ КОРОБКА ПЕРЕДАЧ | 7 | SH108251L | ||||
| ВИНТ M8*25 ФЛАНЦЕВАЯ ГОЛОВКА; TDI АВТОМАТИЧЕСКАЯ КОРОБКА ПЕРЕДАЧ | 7 | FS108251ML ↳FS108252 | ||||
| ШАЙБА 8MM | 7 | WA108051L ↳WA108056 | ||||
| HOUSING-CROSS SHAFT | 1 | FRC6106 ↳FTC5421 | ||||
| ПРОКЛАДКА - TRANSFER BOX COVER TO CASE | 1 | FRC7998 | ||||
| БОЛТ ФЛАНЦЕВАЯ ГОЛОВКА M8*55 | 6 | FB108111L | ||||
| ШАЙБА 8MM | 6 | WA108051L ↳WA108056 | ||||
| TUBE-BREATHER TRANSMISSION CASE | 1 | FRC9427 | ||||
| ЗАГЛУШКА | 1 | FRC7930 ↳FTC5427 | ||||
| ЗАГЛУШКА | 1 | FTC5427 | ||||
| CLIP-P '5/16"' | 1 | BAU1689 ↳56666 | ||||
| BOLT-BANJO | 1 | 595478 | ||||
| WASHER-SEALING TRANSFER BOX BREATHER PIPE BANJO | 2 | 232039 | ||||
| ГЕРМЕТИК SILICONE | 1 | RTC3254 |