| PNC | Название | с | по | Q | RRP | Номер |
|---|---|---|---|---|---|---|
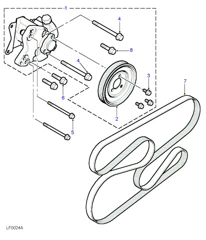
| PUMP В СБОРЕ POWER ASSISTED STEERING | 1 | QVB101452 ↳QVB101453 | ||||
| PUMP В СБОРЕ POWER ASSISTED STEERING СМЕННЫЙ ЭЛЕМЕНТ (ВОССТАНОВЛЕННЫЙ) | 1 | QVB101453E | ||||
| PUMP В СБОРЕ POWER ASSISTED STEERING | 1 | QVB101453 | ||||
| PULLEY POWER ASSISTED STEERING PUMP | 1 | PQR100910L | ||||
| ВИНТ - FLANGED HEAD | 3 | FS106101 ↳FS106101L | ||||
| BOLT-FLANGED HEAD | 2 | FB108207L ↳FB108206 | ||||
| BOLT-FLANGED HEAD | 2 | FB106181L | ||||
| ВИНТ - FLANGED HEAD M8*35 PAS PUMP TO ENGINE | 2 | FS108351 ↳FS108351L | ||||
| BELT-ALTERNATOR/POWER ASSISTED STEERING/WATER PUMP POLYVEE | 1 | PQS101300L | ||||
| BOLT-FLANGED HEAD M8*45 | 1 | FB108091 ↳FB108091L |