| PNC | Название | с | по | Q | RRP | Номер |
|---|---|---|---|---|---|---|
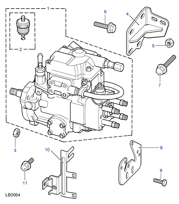
| PUMP-FUEL INJECTION NEW | 1 | ERR5634 | ||||
| PUMP-FUEL INJECTION, ОБОРОТНАЯ ДЕТАЛЬ | 1 | ERR5634E | ||||
| SOLENOID SHUT OFF-FUEL INJECTION PUMP | 1 | MAM100020L | ||||
| ГАЙКА - FLANGE M8 | 3 | FN108045L ↳FN108041 | ||||
| КРОНШТЕЙН - MOUNTING-INJECTION PUMP ДИЗЕЛЬ | 1 | ERR5117L ↳MSU100710L | ||||
| КРОНШТЕЙН - MOUNTING-INJECTION PUMP ДИЗЕЛЬ | 1 | MSU100710L | ||||
| ГАЙКА - FLANGE M8 | 2 | FN108045L ↳FN108041 | ||||
| ВИНТ - FLANGED HEAD M8*14 | 4 | FS108145L | ||||
| ВИНТ - FLANGED HEAD M8*90 | 2 | FS108185L | ||||
| КРОНШТЕЙН | 1 | MSU100440L | ||||
| ВИНТ | 3 | SS106250ML | ||||
| BRACKET В СБОРЕ -SENSOR ДИЗЕЛЬ | 1 | MSU100570L | ||||
| ВИНТ M6*12MM ФЛАНЦЕВАЯ ГОЛОВКА | 1 | FS106125L |