| PNC | Название | с | по | Q | RRP | Номер |
|---|---|---|---|---|---|---|
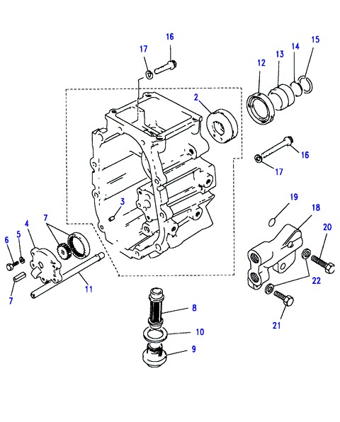
| CASE В СБОРЕ -EXTENSION, ЧАСТЬ КОМПЛЕКТА; V8 | 1 | FTC1482 | ||||
| RING-MAINSHAFT OIL FEED; V8 | 1 | FRC4449 ↳FTC2210 | ||||
| BODY-TRANSMISSION OIL PUMP, ЧАСТЬ КОМПЛЕКТА | 1 | FTC1403 | ||||
| BODY-TRANSMISSION OIL PUMP, ЧАСТЬ КОМПЛЕКТА; V8 | 1 | FTC1403 | ||||
| BODY-TRANSMISSION OIL PUMP; V8 | 1 | FTC1403 | ||||
| BODY-TRANSMISSION OIL PUMP; V8 | 1 | FTC3623 | ||||
| ШАЙБА M6 SPRUNG; V8 | 3 | WL106001L ↳WL106002 | ||||
| ВИНТ M6*20MM ФЛАНЦЕВАЯ ГОЛОВКА; V8 | 3 | FS106207L ↳FS106206 | ||||
| GEARS & SHAFT В СБОРЕ -TRANSMISSION OIL PUMP; V8 | 2 | STC779 ↳STC822 | ||||
| STRAINER-TRANSMISSION OIL; V8 | 1 | FRC6244 | ||||
| ЗАГЛУШКА; V8 | 1 | 90571104 | ||||
| WASHER-SEALING MAN TRANS EXTENSION CASE DRAIN PLUG; V8 | 1 | FRC4810 | ||||
| PIPE-TRANSMISSION OIL INLET; V8 | 1 | FRC8104 | ||||
| САЛЬНИК; V8 | 1 | ICV100000 | ||||
| ВТУЛКА; V8 | 1 | FRC4493 | ||||
| УПЛОТНИТЕЛЬНОЕ КОЛЬЦО; V8 | 1 | FRC4501 | ||||
| SPRING RING; V8 | 1 | FRC4494 | ||||
| БОЛТ ФЛАНЦЕВАЯ ГОЛОВКА M8*60; V8 | 8 | FRC4282 | ||||
| ШАЙБА M8 SPRUNG; V8 | 8 | WL108001L ↳WL108007 | ||||
| HOUSING-TRANSMISSION THERMOSTAT; V8 | 1 | FTC1404 | ||||
| HOUSING-TRANSMISSION THERMOSTAT; V8 | 1 | FTC2687 | ||||
| УПЛОТНИТЕЛЬНОЕ КОЛЬЦО; V8 | 2 | FTC1441 | ||||
| ВИНТ ШЕСТИГРАННАЯ ГОЛОВКА M8*40; V8 | 1 | SH108401L | ||||
| ВИНТ M8*30MM ШЕСТИГРАННАЯ ГОЛОВКА; V8 | 1 | SH108301L ↳FS108301 | ||||
| ВИНТ M8*30MM ФЛАНЦЕВАЯ ГОЛОВКА; V8 | 1 | FS108307L ↳1372612 | ||||
| ШАЙБА 8MM; V8 | 3 | WA108051L ↳WA108056 | ||||
| ШПИЛЬКА; V8 | 1 | FTC890 ↳UYR500030 | ||||
| GEAR-OIL PUMP, ЧАСТЬ КОМПЛЕКТА; V8 | 1 | STC822 |