| PNC | Название | с | по | Q | RRP | Номер |
|---|---|---|---|---|---|---|
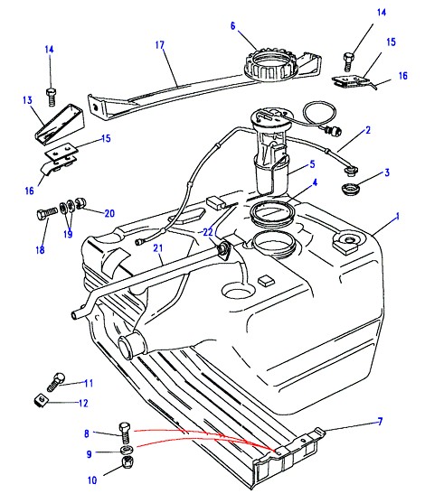
| TANK В СБОРЕ FUEL | 1 | ESR2584 | ||||
| PIPE-BREATHER FUEL TANK, ЧАСТЬ КОМПЛЕКТА | 1 | ESR461 | ||||
| УПЛОТНИТЕЛЬНАЯ ВТУЛКА | 4 | NTC5879 | ||||
| SEAL-FUEL PUMP UNIT TANK | 1 | NTC5859 | ||||
| PUMP-FUEL-UNIT В СБОРЕ FUEL TANK | 1 | PRC7129 | ||||
| PUMP-FUEL-UNIT В СБОРЕ FUEL TANK | 1 | ESR1223 | ||||
| RING-LOCKING FUEL TANK ЧЕРНЫЙ | 1 | NTC6872 | ||||
| CRADLE-FUEL TANK SUPPORT | 1 | NTC5787 | ||||
| ВИНТ ШЕСТИГРАННАЯ ГОЛОВКА M10*20 | 2 | SH110201L | ||||
| ШАЙБА M10 | 6 | WA110061L | ||||
| ШЕСТИГРАННАЯ ГАЙКА M10 NYLOC ФЛАНЕЦ | 2 | NY110047L | ||||
| ВИНТ M10*20 | 2 | SH110201M | ||||
| PLATE В СБОРЕ -WELD BOLT | 2 | NTC7267 | ||||
| КРОНШТЕЙН ТОПЛИВНОГО БАКА ПЕРЕДНИЙ | 1 | NTC6769 | ||||
| ВИНТ M8*16 ШЕСТИГРАННАЯ ГОЛОВКА | 2 | SH108161L ↳FS108161 | ||||
| ВИНТ M8*16 ФЛАНЦЕВАЯ ГОЛОВКА | 2 | FS108161L | ||||
| ДИСТАНЦИОННЫЙ ЭЛЕМЕНТ | 2 | NTC6771 | ||||
| PLATE-MOUNTING FUEL TANK | 1 | NTC6770 | ||||
| STRAP В СБОРЕ FUEL TANK | 1 | ESR2327 | ||||
| ВИНТ ФЛАНЦЕВАЯ ГОЛОВКА M10*30 TOP | 1 | FS110301L ↳FS110306 | ||||
| ШАЙБА M10 | 2 | WA110061L | ||||
| ШЕСТИГРАННАЯ ГАЙКА M10 NYLOC ФЛАНЕЦ | 1 | NY110047L | ||||
| HOSE В СБОРЕ -BREATHER FUEL | 1 | ESR1056 | ||||
| TIE-CABLE INSIDE SERATED 4.6*385MM WHITE. | 1 | 594594 | ||||
| VALVE-FUEL CUT FUEL TANK | 1 | NTC4517 |