| PNC | Название | с | по | Q | RRP | Номер |
|---|---|---|---|---|---|---|
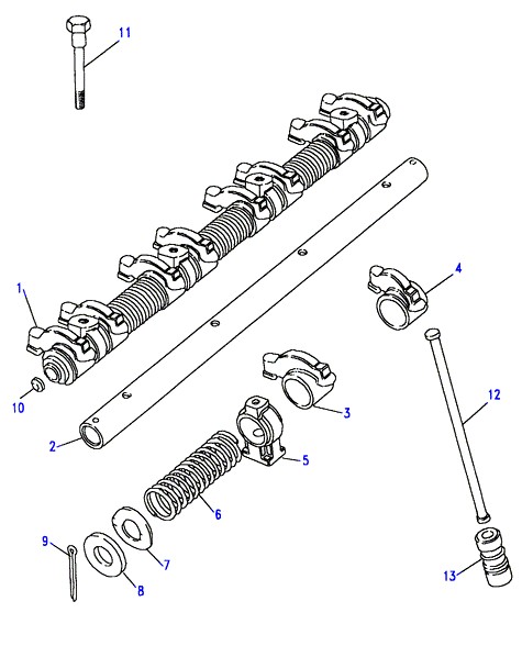
| SHAFT В СБОРЕ -ROCKER, ЧАСТЬ КОМПЛЕКТА; БЕНЗИН Land Rover V8 EFi | 2 | 611660 | ||||
| SHAFT-ROCKER, ЧАСТЬ КОМПЛЕКТА; БЕНЗИН Land Rover V8 EFi | 2 | 611659L | ||||
| ROCKER В СБОРЕ -CYLINDER HEAD, ПРАВАЯ СТОРОНА, ЧАСТЬ КОМПЛЕКТА; БЕНЗИН Land Rover V8 EFi | 8 | 602153 | ||||
| ROCKER В СБОРЕ -CYLINDER HEAD, ЛЕВАЯ СТОРОНА, ЧАСТЬ КОМПЛЕКТА; БЕНЗИН Land Rover V8 EFi | 8 | 602154 | ||||
| PILLAR-CYLINDER HEAD ROCKER SUPPORT, ЧАСТЬ КОМПЛЕКТА; БЕНЗИН Land Rover V8 EFi | 8 | 603734 | ||||
| SPRING-ROCKER SHAFT, ЧАСТЬ КОМПЛЕКТА; БЕНЗИН Land Rover V8 EFi | 6 | 602142 | ||||
| WASHER-WAVED, ЧАСТЬ КОМПЛЕКТА; БЕНЗИН Land Rover V8 EFi | 4 | 602148 | ||||
| WASHER-PLAIN, ЧАСТЬ КОМПЛЕКТА; БЕНЗИН Land Rover V8 EFi | 4 | 602186 | ||||
| PIN-SPLIT, ЧАСТЬ КОМПЛЕКТА; БЕНЗИН Land Rover V8 EFi | 4 | PS606101L | ||||
| PLUG-CORE, ЧАСТЬ КОМПЛЕКТА; БЕНЗИН Land Rover V8 EFi | 4 | 154545 ↳610988 | ||||
| PLUG-CORE, ЧАСТЬ КОМПЛЕКТА; БЕНЗИН Land Rover V8 EFi | 4 | 610988 | ||||
| БОЛТ 3/8UNC*2.79 ROCKER SHAFT; БЕНЗИН Land Rover V8 EFi | 8 | 602097 | ||||
| ROD-ENGINE PUSH; БЕНЗИН Land Rover V8 EFi | 16 | 603378 | ||||
| TAPPET-ENGINE VALVE HYDRAULIC; БЕНЗИН Land Rover V8 EFi | 16 | ERC4949 |