| PNC | Название | с | по | Q | RRP | Номер |
|---|---|---|---|---|---|---|
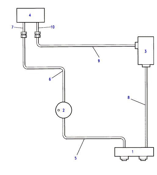
| HOSE-CONDENSER/EVAPORATOR СИСТЕМА КОНДИЦИОНИРОВАНИЯ, ЧАСТЬ КОМПЛЕКТА | 1 | BTR2564 | ||||
| HOSE-LIQUID 'CLASSIC PART', ЧАСТЬ КОМПЛЕКТА | 1 | BTR5993 | ||||
| HOSE-RECEIVER DRYER/EVAPORATOR СИСТЕМА КОНДИЦИОНИРОВАНИЯ, 'CLASSIC PART', ЧАСТЬ КОМПЛЕКТА | 1 | BTR5981 | ||||
| HOSE-COMPRESSOR/CONDENSER СИСТЕМА КОНДИЦИОНИРОВАНИЯ, 'CLASSIC PART' (-) MPI, ЧАСТЬ КОМПЛЕКТА | 1 | BTR5524 | ||||
| HOSE-COMPRESSOR/CONDENSER СИСТЕМА КОНДИЦИОНИРОВАНИЯ, 'CLASSIC PART'; MPI | 1 | BTR5600 | ||||
| HOSE-COMPRESSOR/CONDENSER СИСТЕМА КОНДИЦИОНИРОВАНИЯ, WITHOUT SERVICE VALVE, ЧАСТЬ КОМПЛЕКТА; TDI | 1 | BTR3809 ↳BTR3808 | ||||
| HOSE-SUCTION. 'CLASSIC PART' (-) MPI, ЧАСТЬ КОМПЛЕКТА | 1 | BTR5973 | ||||
| HOSE-SUCTION. 'CLASSIC PART', ЧАСТЬ КОМПЛЕКТА; MPI | 1 | BTR5975 | ||||
| HOSE-EVAPR/COMPRESSOR СИСТЕМА КОНДИЦИОНИРОВАНИЯ, 'CLASSIC PART', ЧАСТЬ КОМПЛЕКТА | 1 | BTR5979 | ||||
| МУФТА МАЛЕНЬКИЙ, ЧАСТЬ КОМПЛЕКТА | 1 | MTC8500 | ||||
| МУФТА 'CLASSIC PART' МАЛЕНЬКИЙ, ЧАСТЬ КОМПЛЕКТА | 1 | BTR6074 | ||||
| МУФТА FEMALE 'CLASSIC PART', ЧАСТЬ КОМПЛЕКТА; MPI | 1 | BTR6078 | ||||
| МУФТА ОХВАТЫВЕМЫЙ 'CLASSIC PART' БОЛЬШОЙ, ЧАСТЬ КОМПЛЕКТА | 1 | BTR6079 | ||||
| УПЛОТНИТЕЛЬНОЕ КОЛЬЦО, ЧАСТЬ КОМПЛЕКТА | 1 | AEU3056 | ||||
| УПЛОТНИТЕЛЬНОЕ КОЛЬЦО, NO 10 '1/2"DIAMETER', ЧАСТЬ КОМПЛЕКТА; MPI | 1 | AEU1628 ↳STC3171 | ||||
| УПЛОТНИТЕЛЬНОЕ КОЛЬЦО, 'CLASSIC PART' БОЛЬШОЙ, ЧАСТЬ КОМПЛЕКТА; MPI | 1 | BTR6080 | ||||
| УПЛОТНИТЕЛЬНОЕ КОЛЬЦО, 'CLASSIC PART' БОЛЬШОЙ, ЧАСТЬ КОМПЛЕКТА | 1 | BTR6080 |