| PNC | Название | с | по | Q | RRP | Номер |
|---|---|---|---|---|---|---|
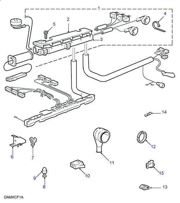
| HARNESS ENGINE; 2.5 M51 BMW ТУРБОДИЗЕЛЬ | 1 | YSB000500 | ||||
| HARNESS ENGINE NON EGR; С ДИЗЕЛЬНЫМИ ДВИГАТЕЛЯМИ | 1 | STC2247 | ||||
| HARNESS ENGINE EGR В СБОРЕ; С ДИЗЕЛЬНЫМИ ДВИГАТЕЛЯМИ | 1 | YSB107060 | ||||
| HARNESS ENGINE EGR В СБОРЕ; 2.5L BMW ДИЗЕЛЬ | 1 | STC4460 | ||||
| HARNESS ENGINE EGR В СБОРЕ; 2.5L BMW ДИЗЕЛЬ | 1 | 8510021 | ||||
| COVER HARNESS; С ДИЗЕЛЬНЫМИ ДВИГАТЕЛЯМИ | 1 | STC2249 | ||||
| COVER HARNESS; С ДИЗЕЛЬНЫМИ ДВИГАТЕЛЯМИ | 1 | STC2248 | ||||
| TIE-CABLE; С ДИЗЕЛЬНЫМИ ДВИГАТЕЛЯМИ | 2 | STC2317 | ||||
| ВИНТ M6*12MM; С ДИЗЕЛЬНЫМИ ДВИГАТЕЛЯМИ | 2 | STC2367 | ||||
| КРОНШТЕЙН - HARNESS ENGINE; С ДИЗЕЛЬНЫМИ ДВИГАТЕЛЯМИ | 1 | STC2246 | ||||
| BRACKET FUEL LINES; С ДИЗЕЛЬНЫМИ ДВИГАТЕЛЯМИ | 1 | STC4609 ↳YYC000230 | ||||
| ШЕСТИГРАННАЯ ГАЙКА M6; С ДИЗЕЛЬНЫМИ ДВИГАТЕЛЯМИ | 1 | STC2243 ↳YYH000050 | ||||
| КОЛПАЧЁК - PROTECTIVE; С ДИЗЕЛЬНЫМИ ДВИГАТЕЛЯМИ | 1 | STC2315 | ||||
| TERMINAL CONNECTOR; С ДИЗЕЛЬНЫМИ ДВИГАТЕЛЯМИ | 1 | STC2318 | ||||
| КОЛПАЧЁК - PROTECTIVE; С ДИЗЕЛЬНЫМИ ДВИГАТЕЛЯМИ | 1 | STC2245 | ||||
| СТОПОРНОЕ КОЛЬЦО; С ДИЗЕЛЬНЫМИ ДВИГАТЕЛЯМИ | 1 | STC2320 | ||||
| TERMINAL CONNECTOR TERMINAL TO POTENTIOMETER; С ДИЗЕЛЬНЫМИ ДВИГАТЕЛЯМИ | 1 | STC2321 | ||||
| TERMINAL CONNECTOR TERMINAL TO POTENTIOMETER; С ДИЗЕЛЬНЫМИ ДВИГАТЕЛЯМИ | 1 | STC2316 ↳STC4611 | ||||
| TERMINAL CONNECTOR TERMINAL TO POTENTIOMETER; С ДИЗЕЛЬНЫМИ ДВИГАТЕЛЯМИ | 1 | STC4611 | ||||
| TERMINAL CONNECTOR; С ДИЗЕЛЬНЫМИ ДВИГАТЕЛЯМИ С КОНДИЦИОНИРОВАНИЕМ ВОЗДУХА | 1 | STC2319 | ||||
| ГАЙКА - PLASTIC M5 | 5 | CYH10001L |